

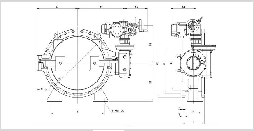
N.D
(d) |
L |
FLANGE |
A1 |
A2 |
A3 |
A4 |
H1 |
H2 |
||||
D |
C |
n-¥Õh |
N-Tap |
T |
||||||||
500 |
203 |
675 |
620 |
16-¥Õ27 |
4-M24Tap |
40 |
500 |
612 |
290 |
325 |
500 |
|
600 |
203 |
795 |
730 |
20-¥Õ33 |
4-M30Tap |
44 |
550 |
685 |
290 |
325 |
450 |
530 |
700 |
305 |
905 |
840 |
20-¥Õ33 |
4-M30Tap |
48 |
600 |
762 |
290 |
325 |
500 |
530 |
800 |
305 |
1020 |
950 |
24-¥Õ33 |
4-M30Tap |
52 |
650 |
810 |
350 |
350 |
550 |
530 |
900 |
305 |
1120 |
1050 |
24-¥Õ33 |
4-M30Tap |
54 |
700 |
895 |
350 |
350 |
600 |
650 |
1000 |
305 |
1235 |
1160 |
24-¥Õ39 |
4-M36Tap |
58 |
750 |
974 |
350 |
350 |
710 |
650 |
1100 |
305 |
1345 |
1270 |
24-¥Õ39 |
4-M36Tap |
62 |
800 |
1100 |
350 |
350 |
710 |
790 |
1200 |
381 |
1465 |
1380 |
28-¥Õ39 |
4-M36Tap |
66 |
900 |
1200 |
380 |
380 |
750 |
790 |
1350 |
381 |
1630 |
1540 |
32-¥Õ46 |
4-M42Tap |
70 |
1000 |
1300 |
380 |
380 |
825 |
870 |
1500 |
381 |
1795 |
1700 |
36-¥Õ46 |
4-M42Tap |
74 |
1050 |
1390 |
380 |
380 |
900 |
910 |